Ticker

6/recent/ticker-posts

Advertisement

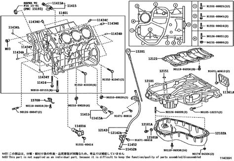
eBook Parts Manual For 2002 Toyota Highlander

At present you are looking with regard to an Parts Manual For 2002 Toyota Highlander example that will we provide here in some form of document formats such as PDF, Doc, Energy Point, as well as images that will will make it simpler for you to create an Parts Manual For 2002 Toyota Highlander yourself. For a more clear look, you can open several examples below. Each of the examples about Parts Manual For 2002 Toyota Highlander with this web site, we get from many sources so you could create a better file of your own.

If the search you acquire here does not match what you are searching for, please use the research feature that we have got provided here. You are free to download something that we provide in this article, investment decision you won't cost you the particular slightest.

DOWNLOAD HERE

Everybody knows that reading Parts Manual For 2002 Toyota Highlander is useful, because we could get a lot of information through the reading materials. Technology has developed, and reading Parts Manual For 2002 Toyota Highlander books might be more convenient and much easier. We could read books on the mobile, tablets and Kindle, etc. Hence, there are lots of books entering PDF format.

Several websites for downloading free PDF books to acquire as much knowledge as you wish. These days everybody, young and older, should familiarize themselves with the growing eBook industry. Ebooks and eBook viewers provide substantial benefits over traditional reading. Ebooks reduce down on the employ of paper, as advocated by environmental enthusiasts. There are no fixed timings for study. There will be no question of waiting-time for new editions. There is no transportation to be able to the eBook shop. The particular books in a eBook go shopping can be downloaded quickly, sometimes for free, at times for a fee.

Not just that, the online variation of books are usually less expensive, because publication houses save on their print in addition to paper machinery, the benefits of which are given to to customers. Further, the particular reach of the e-book shop is immense, permitting someone living in Australia to source out to be able to a publication house in Chicago. The newest trend in the online e-book world is exactly what are called eBook libraries, or e-book packages. An eBook package is something remarkable. It consists of a huge number of ebooks included together that are not easily obtainable at one single place. So instead of hunting down and acquiring, say 100 literary classics, you can aquire an eBook package which contains all these types of ebooks bundled together. These kinds of eBook libraries typically offer you a substantial savings, in addition to are usually offered in a variety of formats to suit your brand of eBook reader. Large companies, such since Amazon or Barnes and Noble, tend to not carry these eBook your local library. If you want to be able to purchase one of these your local library, you will have to be able to find independent eBook outlets. These independent eBook outlets typically package the e-book libraries by genre, in addition to have a wide selection of genres.